
精密ミニ旋盤・コンパクト3
COMPACT3・Mr.Meister
No.66500
 
ミニ旋盤でも本格派、精密な加工が可能です。
本格的な旋盤と変わらぬ構造、鋳鉄製リブ構造の旋盤ベッドに主軸台を配置し、クロススライドと心押台を装備、Vベルトによるパワーロスの少ない駆動を実現しました。無段変速コントロール機能とCEに準拠した緊急停止スイッチ、チャックカバー連動のエマージェンシーシステムを内蔵しています。ローコストながらも三爪スクロールチャックを標準付属、さらに回転センターと切削バイトをパッキングしました。材料さえあればすぐにでも旋盤加工が開始できます。小さい旋盤ですが、樹脂や木材からアルミ、真鍮等の非鉄金属、また切削条件が合致すれば軟鉄などの切削も行えます。まずここから旋盤をはじめてみませんか。


シンプルで簡単な無段変速、そして緊急停止ボタンを配した安全設計。
スピードコントロールノブを回すだけで、主軸回転調整が行えるシンプルな設計。煩わしいベルトの掛け替え作業がいりません。チャックカバーに連動した緊急停止回路を内蔵し、押しやすい大きなボタンを配置しました。CEに準拠した緊急停止回路はチャックカバーと連動し、カバーが開いている時には主軸が回転しないように設計。

モーターロスの少ないVベルトを採用
主軸にパワーを伝える重要な部品に、パワーロスの少ないVベルトを採用しています。モータートルクを最大限に伝え、スムーズで静かな駆動を実現しました。加工条件が許せば、真鍮やアルミに限らず軟鉄などの切削できます。

三爪スクロールチャックを標準装備
ここまで低価格の旋盤でありながら三爪スクロールチャックも標準装備しています。ミニ旋盤でもしっかりとした金属製、しかも逆爪に対応できるリバーシブルタイプの三爪スクロールチャックです。

刃物台も標準付属
刃物台はクロススライド上にしっかりと固定されています。Tスロットナットを使って固定しているので、任意に向きを変える事も簡単に行えます。勿論、トップスライドや二面刃物台などもオプションで充実しています。

親ネジガードを装備
切削クズで親ネジを傷つけないプロテクトカバーも備わっています。

スプラッシュガード標準装備
切りくずの飛散防止のためのスプラッシュガードも標準装備しています。

回転センター標準装備
さらに、回転センターまで標準付属しています。高回転での使用や硬い材料の時に、焼き付き防止ができ重宝します。心押台にドリルチャックを取り付ければ穴あけ加工も行えます。

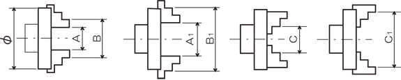
◎三爪スクロールチャック詳細
| 製品仕様・三爪スクロールチャック | ||
| 正爪 | 逆爪 | |
| 外径把握 | 内径把握 | 外径把握 | 
| A-A1 | B-B1 | C-C1 | 
| 2-28mm | 20-48mm | 20-47mm | 
 
 
                     
 
                    | 製品仕様 | COMPACT3(コンパクト3)精密ミニ旋盤 | 
| 心 間 | 150mm | 
| クロススライド上振り | 54mm | 
| ヘッド上振り | 110mm | 
| 回転速度 | 無段変速 0~3,800min-1[回転/分] | 
| 主 軸 | M14x1.0mm | 
| 主軸貫通孔 | Φ10.2mm | 
| 刃物台 | フトコロ 8x8mm | 
| 心押台 | クイルトラベル 20mm | 
| チャック | 三爪スクロール Φ50mm | 
| 電 源 | 100V・50/60Hz・150W | 
| 本体寸法/重量 | W433×D255×H230mm/13.5kg | 
| パッケージ内容 | 精密ミニ旋盤コンパクト3本体 三爪スクロールチャック(本体装着済) 刃物台 回転センター ハイス切削バイト8mm角(直剣) スプラッシュガード(本体装着済) 標準工具一式 取扱説明書 | 
※お取寄せ品につき、納期目安は3~5営業日以内に発送予定です。
 お急ぎの方は電話にて納期を確認して下さい。
 メーカーが在庫切れの場合は30日~60日程かかります。
 
                        
   
                     

| 精密ミニ旋盤 コンパクト3 (Compact3) No.66500 Mr.Meister 小型でも本格的な旋盤加工ができます。 | オプション品 コンパクト3専用 Mr.Meister オプションを使用して様々な作業が可能になります。 | 精密ミニ旋盤スターターセット コンパクト3 (Compact3) No.66575 Mr.Meister オプション3点が付いたお買い得スターターセットです。 | 
| 精密ミニ旋盤アドバンスセット コンパクト3 (Compact3) No.66578 Mr.Meister 面取り加工ができる、オプションが6点付いたお買い得なアドバンスセットです。 | 万能精密旋盤 コンパクト7 (Compact7) No.66000 Mr.Meister あらゆる精密切削加工に最適です。工場の汎用旋盤と同等の加工が可能です。 | オプション品 コンパクト7専用 Mr.Meister オプションを使用して様々な作業が可能になります。 | 
| 万能精密旋盤スターターセット コンパクト7 (Compact7) No.66075 Mr.Meister オプション4点が付いたお買い得スターターセットです。 | 万能精密旋盤アドバンスセット コンパクト7 (Compact7) No.66078 Mr.Meister 面取り加工ができる、オプションが6点付いたお買い得なアドバンスセットです。 | 精密卓上旋盤 コンパクト9 (Compact9) No.60500 Mr.Meister 単品試作造り・研究開発・模型製作等、幅広い活用ができる本格的な卓上旋盤です。 | 
| オプション品 コンパクト9専用 Mr.Meister オプションを使用して様々な作業が可能になります。 | 精密卓上旋盤スターターセット コンパクト9 (Compact9) No.60575 Mr.Meister オプション4点が付いたお買い得スターターセットです。 | 精密卓上旋盤アドバンスセット コンパクト9 (Compact9) No.60578 Mr.Meister オプション6点が付いたお買い得アドバンスセットです。 | 
| 精密卓上旋盤 デジタルスケール付 コンパクト9 (Compact9) No.60502 Mr.Meister 加工したい寸法をディスプレイで確認しながら作業ができるセットです。 | 精密卓上旋盤スターターセット デジタルスケールキット付 コンパクト9 (Compact9) No.60576 Mr.Meister オプション4点とデジタルスケールが付いたお買い得スターターセットです。 | 精密卓上旋盤アドバンスセット デジタルスケールキット付 コンパクト9 (Compact9) No.60579 Mr.Meister オプション6点とデジタルスケールキットが付いたお買い得アドバンスセットです。 | 
| ミニフライス盤 リトルミーリング1 (LittleMilling1) No.66400 Mr.Meister 小型で場所を取らない本格的な卓上フライス盤です。 | オプション品 リトルミーリング1専用 Mr.Meister オプションを使用して様々な作業が可能になります。 | ミニフライス盤スターターセット リトルミーリング1 (LittleMilling1) No.66475 Mr.Meister オプション5点が付いたお買い得スターターセットです。 | 
| ミニフライス盤アドバンスセット リトルミーリング1 (LittleMilling1) No.66478 Mr.Meister オプション7点が付いたお買い得アドバンスセットです。 | 精密卓上フライス盤 リトルミーリング9 (LittleMilling9) No.60700 Mr.Meister 大きなカッター類を使用できる精密卓上フライス盤です。 | オプション品 リトルミーリング9専用 Mr.Meister オプションを使用して様々な作業が可能になります。 | 
| 精密卓上フライス盤 スターターセット リトルミーリング9 (LittleMilling9) No.60775 Mr.Meister オプション4点が付いたお買い得スターターセットです。 | 精密卓上フライス盤 アドバンスセット リトルミーリング9 (LittleMilling9) No.60778 Mr.Meister オプション7点が付いたお買い得アドバンスセットです。 | 精密卓上フライス盤 デジタルスケール付 リトルミーリング9 (LittleMilling9) No.60702 Mr.Meister デジタルスケールキット付きなので、加工したい寸法をディスプレイで確認しながら作業ができます。 | 
| 精密卓上フライス盤 スターターセット デジタルスケールキット付 リトルミーリング9 (LittleMilling9) No.60776 Mr.Meister オプション4点とデジタルスケールキットが付いたお買い得スターターセットです。 | 精密卓上フライス盤 アドバンスセット デジタルスケールキット付 リトルミーリング9 (LittleMilling9) No.60779 Mr.Meister オプション6点とデジタルスケールキットが付いたお買い得アドバンスセットです。 | 精密卓上フライス盤 リトルミーリング11 (LittleMilling11) No.60800 Mr.Meister 自動送り装置が標準装備した本格卓上フライス盤です。 | 
| オプション品 リトルミーリング11専用 Mr.Meister オプションを使用して様々な作業が可能になります。 | 精密卓上フライス盤 スターターセット リトルミーリング11 (LittleMilling11) No.60875 Mr.Meister オプション4点が付いたお買い得スターターセットです。 | 精密卓上フライス盤 アドバンスセット リトルミーリング11 (LittleMilling11) No.60878 Mr.Meister オプション6点が付いたお買い得アドバンスセットです。 | 
| 小型ボール盤 No.DP-2250R 省スペースボール盤、繰り返し穴あけ作業に最適です。 | 小型ボール盤 No.DP-2000R 厚みのある材料の穴あけ加工に向いてるボール盤です。 | ピンバイス各種 手動で穴あけ加工が可能なピンバイスです。 | 
| ノギス、ゲージ各種 精密部品、切削パーツの計測など加工補助に最適です。 | 超音波洗浄機器各種 切削加工品の洗浄や精密部品などの洗浄に最適です。 | ルーペ、拡大鏡 加工品の観察や製作途中の確認、完成品の検品作業などに使えます。 | 
| ハンドグラインダー各種 加工品のバリ取り研磨、切削研磨、表面加工に最適なリューターです。 | ||||||||||











 
 
 
 





















































