
万能精密旋盤・コンパクト7
COMPACT7・Mr.Meister
No.66000
 
あらゆる精密加工に。金工、プラスチック加工、木材加工
円筒切削、端面切削、突切り、ネジ切り、穴あけ、ミーリング
万能精密旋盤コンパクト7は、工場の汎用旋盤と同等の加工ができるコンパクト旋盤です。
スピードコントロールが無段階変速でき、アルミや真鍮だけでなく、難作材の切削も可能です。
基本的な旋削はもちろんのこと、チェンジギアを交換すれば、ネジ切削も行えます。
材料の大小はあっても旋盤として必要なスペックを備えた万能精密旋盤コンパクト7があれば、
あらゆる精密加工が行えます。また、旋盤は使ったことがない人やはじめてみたい人にも親切
で使いやすい一台です。
大型の普通旋盤などが使えないオフィスから、工場に至るまで、大学や研究所などの試作品造
りや研究機材製作まで、はば広い用途にお使いいただけます。


シンプルで簡単な無段変速、そして緊急停止ボタンを配した安全設計。欧州CE規格に準拠した安全設計。緊急停止機能を内蔵しています。旋盤コントロールの他にミーリングアタッチメント(オプション)を装着した状態でのコントロールもこのパネルで一括して行えます。

モーターパワーを確実に伝達回転速度は電子制御による無段階変速。モーターの駆動は、タイミングベルトによって主軸プーリーに確実に伝達されます。またチェンジギア(オプション)により多種のネジ切削が行えます。
別売のチェンジギアセット(メーター用)No.66084を組み込めば、1.25/1.0/0.8/0.75/0.7/0.5mmピッチのネジ切削が行えます。ネジ切削にはネジ切り用バイトが必要です。

三爪スクロールチャックを標準装備。
φ80mmの三爪スクロールチャックが標準装備付属しています。また、逆爪も付属しています。オプションで生爪セットもご用意していますので、いろいろな局面での加工が行えます。正爪時:φ3~22mm 逆爪時:φ22~63mm。

ミーリングテーブルにもなるクロススライドを標準装備。
クロススライドには標準で二面刃物台が取り付けられています。二面刃物台の片面は刃高が微調整できるようになっています。この旋盤は、普通の旋盤とは少し異なるクロススライドをもっています。これは、オプションのミーリングアタッチメントを使ってフライス加工が行えるように特別に設計されたクロススライドのためです。その他にもバーチカルスライドアタッチメントなど、豊富なオプションを装着できます。

シンプルで使いやすい心押台。
工作内容に合わせてワークを押し支えたり、ドリルチャック(オプション)を使って穴あけ加工が行えます。 シンプルで使いやすい心押台はMT-1のクイルを備えています。レースセンターも付属しています。

スプラッシュガード標準装備
切りくずの飛散防止が行えるスプラッシュガードも標準装備しています。

豊富なオプションアタッチメント
ミーリングアタッチメントを初めとする多種多様のアタッチメントを用意しています。

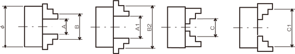
◎三爪スクロールチャック詳細
| 製品仕様・三爪スクロールチャック | ||
| 正爪 | 逆爪 | |
| 外径把握 | 内径把握 | 外径把握 | 
| A-A1 | B-B1 | C-C1 | 
| 3-22mm | 25-70mm | 22-63mm | 
 
 
                     
 
                    | 製品仕様 | COMPACT7(コンパクト7)万能精密旋盤 | 
| 心 間 | 250mm | 
| 心 高 | 75mm | 
| クロススライド上振り | 74mm | 
| ヘッド上振り | 150mm | 
| 回転速度 | 無段変速 100~2,000min-1[回転/分] | 
| 主 軸 | MT-2 | 
| 主軸貫通孔 | Φ10.2mm | 
| 刃物台 | 8x8mm角用 | 
| 心押台 | クイルトラベル 20mm(MT-1) | 
| 親ネジ | M10×1.5mm | 
| チャック | 三爪スクロール Φ80mm | 
| 自動送り | 0.05mm/rev | 
| 0.10mm/rev ※別売のチェンジギアセットが必要 | |
| 送りハンドル | ヨコ送り 0.02mm/目盛 50回転 | 
| タテ送り 0.05mm/目盛 30回転 | |
| 電 源 | 100V・50/60Hz・150W | 
| 本体寸法/重量 | W640×D270×H210mm/23kg | 
| パッケージ内容 | 万能精密旋盤コンパクト7本体 三爪スクロールチャック(本体装着済) 逆爪3ヶセット 二面刃物台 レースセンター Tスロットナット ハイス切削バイト8mm角(直剣) スプラッシュガード(本体装着済) 油差し 敷き板 標準工具一式 取扱説明書 | 
※お取寄せ品につき、納期目安は3~7営業日以内に発送予定です。
 お急ぎの方は電話にて納期を確認して下さい。
 メーカーが在庫切れの場合は30日~60日程かかります。
 
                        
   
                     

| 精密ミニ旋盤 コンパクト3 (Compact3) No.66500 Mr.Meister 小型でも本格的な旋盤加工ができます。 | オプション品 コンパクト3専用 Mr.Meister オプションを使用して様々な作業が可能になります。 | 精密ミニ旋盤スターターセット コンパクト3 (Compact3) No.66575 Mr.Meister オプション3点が付いたお買い得スターターセットです。 | 
| 精密ミニ旋盤アドバンスセット コンパクト3 (Compact3) No.66578 Mr.Meister 面取り加工ができる、オプションが6点付いたお買い得なアドバンスセットです。 | 万能精密旋盤 コンパクト7 (Compact7) No.66000 Mr.Meister あらゆる精密切削加工に最適です。工場の汎用旋盤と同等の加工が可能です。 | オプション品 コンパクト7専用 Mr.Meister オプションを使用して様々な作業が可能になります。 | 
| 万能精密旋盤スターターセット コンパクト7 (Compact7) No.66075 Mr.Meister オプション4点が付いたお買い得スターターセットです。 | 万能精密旋盤アドバンスセット コンパクト7 (Compact7) No.66078 Mr.Meister 面取り加工ができる、オプションが6点付いたお買い得なアドバンスセットです。 | 精密卓上旋盤 コンパクト9 (Compact9) No.60500 Mr.Meister 単品試作造り・研究開発・模型製作等、幅広い活用ができる本格的な卓上旋盤です。 | 
| オプション品 コンパクト9専用 Mr.Meister オプションを使用して様々な作業が可能になります。 | 精密卓上旋盤スターターセット コンパクト9 (Compact9) No.60575 Mr.Meister オプション4点が付いたお買い得スターターセットです。 | 精密卓上旋盤アドバンスセット コンパクト9 (Compact9) No.60578 Mr.Meister オプション6点が付いたお買い得アドバンスセットです。 | 
| 精密卓上旋盤 デジタルスケール付 コンパクト9 (Compact9) No.60502 Mr.Meister 加工したい寸法をディスプレイで確認しながら作業ができるセットです。 | 精密卓上旋盤スターターセット デジタルスケールキット付 コンパクト9 (Compact9) No.60576 Mr.Meister オプション4点とデジタルスケールが付いたお買い得スターターセットです。 | 精密卓上旋盤アドバンスセット デジタルスケールキット付 コンパクト9 (Compact9) No.60579 Mr.Meister オプション6点とデジタルスケールキットが付いたお買い得アドバンスセットです。 | 
| ミニフライス盤 リトルミーリング1 (LittleMilling1) No.66400 Mr.Meister 小型で場所を取らない本格的な卓上フライス盤です。 | オプション品 リトルミーリング1専用 Mr.Meister オプションを使用して様々な作業が可能になります。 | ミニフライス盤スターターセット リトルミーリング1 (LittleMilling1) No.66475 Mr.Meister オプション5点が付いたお買い得スターターセットです。 | 
| ミニフライス盤アドバンスセット リトルミーリング1 (LittleMilling1) No.66478 Mr.Meister オプション7点が付いたお買い得アドバンスセットです。 | 精密卓上フライス盤 リトルミーリング9 (LittleMilling9) No.60700 Mr.Meister 大きなカッター類を使用できる精密卓上フライス盤です。 | オプション品 リトルミーリング9専用 Mr.Meister オプションを使用して様々な作業が可能になります。 | 
| 精密卓上フライス盤 スターターセット リトルミーリング9 (LittleMilling9) No.60775 Mr.Meister オプション4点が付いたお買い得スターターセットです。 | 精密卓上フライス盤 アドバンスセット リトルミーリング9 (LittleMilling9) No.60778 Mr.Meister オプション7点が付いたお買い得アドバンスセットです。 | 精密卓上フライス盤 デジタルスケール付 リトルミーリング9 (LittleMilling9) No.60702 Mr.Meister デジタルスケールキット付きなので、加工したい寸法をディスプレイで確認しながら作業ができます。 | 
| 精密卓上フライス盤 スターターセット デジタルスケールキット付 リトルミーリング9 (LittleMilling9) No.60776 Mr.Meister オプション4点とデジタルスケールキットが付いたお買い得スターターセットです。 | 精密卓上フライス盤 アドバンスセット デジタルスケールキット付 リトルミーリング9 (LittleMilling9) No.60779 Mr.Meister オプション6点とデジタルスケールキットが付いたお買い得アドバンスセットです。 | 精密卓上フライス盤 リトルミーリング11 (LittleMilling11) No.60800 Mr.Meister 自動送り装置が標準装備した本格卓上フライス盤です。 | 
| オプション品 リトルミーリング11専用 Mr.Meister オプションを使用して様々な作業が可能になります。 | 精密卓上フライス盤 スターターセット リトルミーリング11 (LittleMilling11) No.60875 Mr.Meister オプション4点が付いたお買い得スターターセットです。 | 精密卓上フライス盤 アドバンスセット リトルミーリング11 (LittleMilling11) No.60878 Mr.Meister オプション6点が付いたお買い得アドバンスセットです。 | 
| 小型ボール盤 No.DP-2250R 省スペースボール盤、繰り返し穴あけ作業に最適です。 | 小型ボール盤 No.DP-2000R 厚みのある材料の穴あけ加工に向いてるボール盤です。 | ピンバイス各種 手動で穴あけ加工が可能なピンバイスです。 | 
| ノギス、ゲージ各種 精密部品、切削パーツの計測など加工補助に最適です。 | 超音波洗浄機器各種 切削加工品の洗浄や精密部品などの洗浄に最適です。 | ルーペ、拡大鏡 加工品の観察や製作途中の確認、完成品の検品作業などに使えます。 | 
| ハンドグラインダー各種 加工品のバリ取り研磨、切削研磨、表面加工に最適なリューターです。 | ||||||||||











 
 
 
 





















































